- 超聲波硬度計核心優勢和使用注意事項[2024/09/19]
- 金屬探傷儀[2024/09/19]
- 維氏硬度試驗的分類和試驗力選擇[2020/06/09]
- 洛氏硬度、布氏硬度等硬度對照表和換算方法[2020/06/09]
- 金屬材料硬度基礎知識[2020/06/09]
TIME544X系列智能邵氏硬度計

產品名稱: TIME544X系列智能邵氏硬度計
上架時間:2022.10
品牌名稱:時代
全國電話: 400-860-1787
1 新品簡介
TIME544X系列產品是可接入時代“凌云”系統的智能邵氏硬度計,產品由1臺智能手機+1支智能邵氏探頭組成,兩者之間通過藍牙無線通信,是由傳統的便攜式單體儀器向時代智能測量系統邁進的又一力作。
智能手機端憑借其自身軟件、硬件、網絡優勢實現更強大的邵氏硬度計的功能,并能作為智能測量終端節點,接入時代“凌云”系統。
系列智能探頭是在TIME543X系列邵氏硬度計的基礎上升級而成,
能快速準確地測量塑料﹑橡膠﹑合成橡膠﹑打印膠輥、鞋用微孔材料等的硬度。產品依據邵氏硬度測量原理及邵氏硬度定義,結合先進的微電子技術,集測量裝置和數據處理于一體,具有測值準確、操作簡單、體積小、重量輕,攜帶方便等優點,在化工和橡膠行業有著廣泛的應用。

本系列儀器包含5種硬度標尺,同TIME543X系列產品一一對應。產品型號及適用范圍如下:
|
產品型號
|
硬度標尺
|
適用范圍
|
|
TIME5440
邵氏A型硬度計
|
A
|
適用于普通硬度范圍。常用來測定塑料、軟橡膠、打印機滾軸和其它彈性材料的硬度。
|
|
TIME5441
邵氏D型硬度計
|
D
|
適用于高硬度范圍。主要用來測定硬塑料和硬橡膠的硬度。
|
|
TIME5442
邵氏AO型硬度計
|
AO
|
適用于低硬度橡膠和海綿。主要用來測定低硬度橡膠和海綿等軟性材料的硬度。
|
|
TIME5442C
微孔材料硬度計
|
Asker-c
|
適用于鞋用微孔材料。主要用來測定壓縮率為50%時,應力達到0.049Mpa以上的鞋用微孔材料的硬度。
|
|
TIME5443
邵氏AM型硬度計
|
AM
|
適用于普通硬度范圍的薄樣品。主要用來測定
普通硬度范圍的硫化橡膠等的薄樣件(樣件厚度小于6mm)的硬度
。
|

本系列儀器的選擇原則:
——D標尺低于20時,選用A標尺;
——A標尺低于20時,選用AO標尺;
——A標尺高于90時,選用D標尺;
——薄樣件(樣品厚度小于6mm)選用AM標尺;
——化工行業中的鞋用微孔材料,選用“微孔材料硬度計”。
本系列
儀器
符合以下標準:
GB/T 2411-2008/ISO 868:2003中華人民共和國國家標準 塑料和硬橡膠 使用硬度計測定壓痕硬度(邵氏硬度)
HG/T 2489-2007 中華人民共和國化工行業標準 鞋用微孔材料硬度試驗方法
HG
2368-92
中華人民共和國華工行業標準 邵爾A型橡膠袖珍硬度計技術條件
JJG 304-2003 中華人民共和國國家計量檢定規程 A型邵氏硬度計
JJG 1039-2008 中華人民共和國國家計量檢定規程 D型邵氏硬度計
JJF 1312-2001 中華人民共和國國家計量技術規范 AO型邵氏硬度計校準規范
2 工作原理
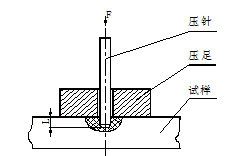
將一定形狀的鋼制壓針﹐在規定的試驗力作用下﹐壓入試樣表面﹐當壓足表面與試樣表面緊密貼合時﹐壓針端面相對壓足平面有一定的伸出長度L﹐長度L越大﹐表示邵氏硬度越低﹐反之越高,測量示意圖見下圖。
邵氏硬度(不含AM型)計算公式如下:
H
=
100 -
式中:
H ——邵氏硬度值,包括HA、HD、HAO、Hc;
L —— 壓針端面伸出壓足平面的長度,單位:mm。
AM型邵氏硬度計算公式如下:
H
AM
=
100 -
式中:
HAM —— 邵氏AM硬度值;
L —— 壓針端面伸出壓足平面的長度,單位:mm。
3產品特點
»
產品由1臺智能手機+1支智能探頭組成,兩者通過藍牙進行無線通信。
»
產品可連接到工業智能檢測物聯網平臺——時代“凌云”系統,實現強大的產品功能。
»
本產品系列包含多種硬度標尺,應用范圍廣,可根據需要靈活選擇。
»
APP六大功能模塊助力用戶質量管理及售后服務:
1)
測量管理:即測、即存;實時顯示、語音播報測量數據;列表、圖形多角度分析測量數據。隨時隨地實時分享當前數據。
2)
數據管理
:
歷史數據溯源
。
可以查詢歷史數據
;圖形、視頻、文本、測量數據多維度
創建工單
、
生成報表等
。
3)
客戶服務:售后提單、一鍵呼叫,服務就在您身邊。
4)
設備管理
:對使用設備進行管理。
5)
用戶管理
:用戶資料維護及用戶權限獲取。
6)
系統設置
:
輔助測量設置
、
軟件升級等功能
。
»
測量數據顯示靈活,可選擇在手機端或探頭端顯示,兩種模式可一鍵快速切換。
»
智能探頭的位移傳感器內置,體積小,重量輕,操作簡單,攜帶方便。
»
智能探頭采用1.3英寸OLED顯示屏,128×64圖形點陣,信息顯示清晰。
»
智能探頭帶有電量顯示和欠壓警示,欠壓會自動關機。
»
智能探頭具有無操作自動關機功能,且自動關機時長可調,或者關閉該功能。
»
智能探頭的軟件可遠程升級。
»
智能手機端安裝有“時代智檢測”專用測量
APP
(以下簡稱
APP
),接收智能探頭的測量值并實現邵氏硬度計的其它功能。
»
產品具有實時測量、峰值鎖存和定時鎖存共三種工作模式,滿足實際各種測量需求。
»
在數據鎖存模式下,可預設測值上、下限,超限有顯示提示,方便用戶批量檢測。
» 智能探頭可安裝在邵氏硬度測試臺上使用,測量更加穩定可靠。
4 技術參數
»
硬度標尺:A、D、AO、Asker-c、 AM。
»
測量范圍:0~100H。
»
測量誤差:≤±1H(20~90H范圍內)。
»
分辨力:0.1H。
智能探頭:
»
工作電壓:3.7V。
»
充電電源:6V/500mA。
智能
探頭尺寸及重量
|
產品型號
|
外形尺寸(mm)
|
重量(g)
|
|
TIME5440
|
173
×
56×
42
|
200
|
|
TIME5441
|
173
×
56×
42
|
200
|
|
TIME5442
|
173
×
56×
42
|
200
|
|
TIME5442C
|
168
×
56×
42
|
2
51
|
|
TIME5443
|
173
×
56×
4
1
|
200
|
5品種規格
5.1基本配置
»
智能探頭1支;
»
中值量塊1個;
»
高硬度墊片1個;
»
充電器1個;
» 邵氏硬度測試臺(僅TIME5443邵氏AM型)。
5.2選擇配置
除基本配置外,用戶還可根據實際需要,選擇配置:
»
智能手機1臺;
»
SIM卡1張;
» 邵氏硬度測試臺(不含TIME5443邵氏AM型)。
5.3邵氏硬度測試臺
|
測試臺型號
|
適用的產品型號
|
|
TIMEA521
|
TIME5440 邵氏A型硬度計
|
|
TIME5442 邵氏AO型硬度計
|
|
|
TIME5442C 微孔材料硬度計
|
|
|
TIMEA522
|
TIME5441 邵氏D型硬度計
|
|
TIMEA523
|
TIME5443 邵氏AM型硬度計
|



.jpg)